THIC Butelie de egalizare ECOTECH F112

THIC
447,70 RON
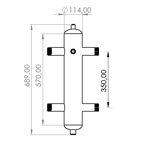
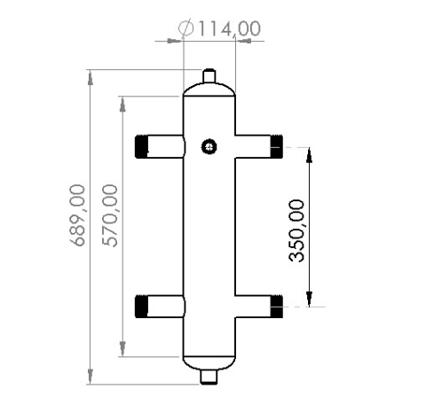
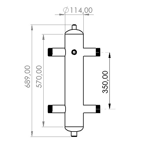
Butelie de egalizare ECOTECH F112 — vas sub presiune compact, destinat egalizării şi stabilizării presiunii în instalaţii termice şi hidraulice. Confecţionat din oţel durabil, cu finisaj vopsit, conceput pentru montaj facil şi conexiuni standard; atenuează pulsaţiile de presiune, protejează componentele sistemului şi îmbunătăţeşte eficienţa funcţionării. Compatibil cu echipamente ECOTECH.

Numar circuite iesire: 1

Diametru intrare (inch): 1 1/2

Diametru iesire (inch): 1 1/2

Debit (m3/h): 7

Temperatura ( °C ): 90

Presiune (bari): 10

In stoc
Limita stoc
Adauga in cos
Cod Produs: 9016 Ai nevoie de ajutor? 0751601961 / 0728089787
Adauga la Favorite Cere informatii
  • Descriere
  • Caracteristici
  • Review-uri (0)

Aceasta butelie de echilibrare hidraulica F112 este proiectata pentru a fi utilizata in instalatii de incalzire ce includ un cazan unic sau mai multe cazane in cascada. Construita din otel rezistent, cu o grosime minima de 3.6 mm, fiecare butelie este sudata in mediu protejat cu argon, garantand o durabilitate excelenta. Procesul de vopsire este realizat in conditii controlate, asigurand o finisare de calitate. Fiecare produs este testat la presiuni de pana la 10 bar, iar presiunea de functionare recomandata este de maximum 10 bar.

Butelia de echilibrare functioneaza impreuna cu o pompa pentru circuitul cazanului si o pompa pentru circuitele de incalzire, realizand separarea hidraulica intre acestea. Este esentiala in urmatoarele cazuri:

  • cazanul are un volum mic de apa
  • debitul cerut de sistemele de incalzire este mai mare decat debitul permis de cazan
  • instalarea mai multor cazane in serie (cascada)
  • in prezenta mai multor circuite de incalzire, in special atunci cand sistemul de incalzire in pardoseala este combinat cu radiatoare


Se recomanda montarea buteliei in pozitie verticala pentru a permite stratificarea corecta a temperaturii si separarea eficienta a circuitelor tur-retur. Daca spatiul nu permite, butelia poate fi montata si orizontal, cu circuitul cazanului in partea superioara.

Continutul pachetului:

  • Corpul buteliei de egalizare

Butelia este livrata fara izolatie termica.

Producator: THIC

Vezi mai mult Informatii conformitate produs

Denumire produs: Butelie de egalizare ECOTECH

Tip produs: F112

Tip acoperire: Vopsită

Garantie (luni): 24

Utilizare: Instalatii incalzire

Greutate (kg): 6.5

Lungime (mm): 689

Lătime (mm): 314

Inaltime (mm): 134

Daca doresti sa iti exprimi parerea despre acest produs poti adauga un review.

Review-ul a fost trimis cu succes.

Compara produse

Trebuie sa mai adaugi cel putin un produs pentru a compara produse.

A fost adaugat la favorite!

A fost sters din favorite!